SRAM vs DRAM : How SRAM Works? How DRAM Works? Why SRAM is faster than DRAM?
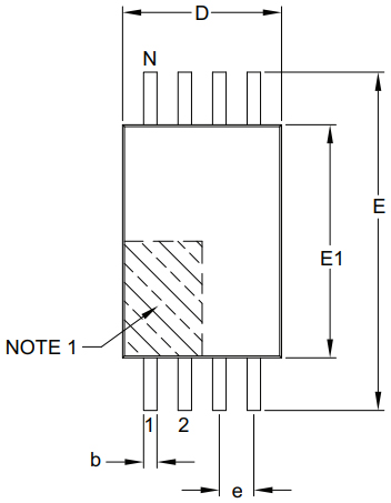
IC NVSRAM 512K SPI 20MHZ 8TSSOP
The Microchip Technology Inc. 23LCV512 is a 512 Kbit Serial SRAM device. The memory is accessed via a simple Serial Peripheral Interface (SPI) compatible serial bus. The bus signals required are a clock input (SCK) plus separate data in (SI) and data out (SO) lines. Furthermore, Huge range of Semiconductors, Capacitors, Resistors and IcS in stock. Welcome RFQ.









