How to use DS18B20 Temperature sensor with arduino
SENSOR DIGITAL -55C-125C TO92-3
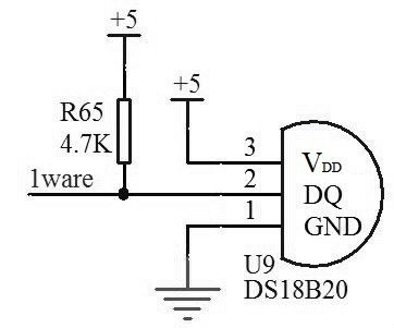
DS18B20 is a kind of Temperature Sensor produced by Maxim Integrated, what is DS18B20? How does DS18B20 work? Magi will explain these questions to you in this article.








