What is a Voltage Supervisor?
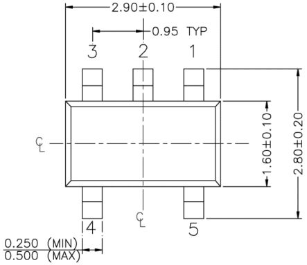
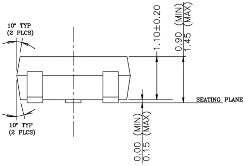
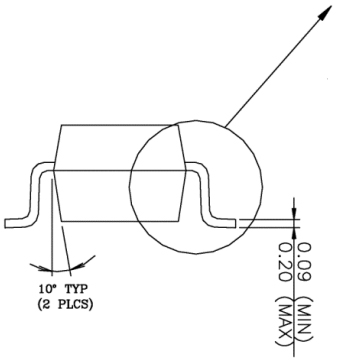
IC SUPERVISOR MICROPOWER SOT23-5
The MIC2775 is a power supply supervisor that provides undervoltage monitoring, manual reset capability, and power-on reset generation in a compact 5-pin SOT package. Furthermore, Huge range of Semiconductors, Capacitors, Resistors and IcS in stock. Welcome RFQ.











