How Optocouplers work - opto-isolator solid state relays phototransistor
OPTOISOLATOR 5KV TRIAC 6DIP
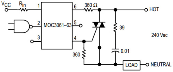
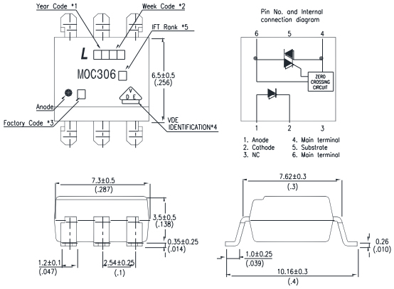
MOC3063 IC is a 6 pin I/O Optocoupler/Optoisolator with an integrated gallium arsenide Infrared emitting diode optically coupled to a TRIAC output with a Zero-crossing circuit. The IC can provide optical isolation to devices operating at 115/240 VAC lines. This IC is widely used in applications such as AC motor drives, controlling the Valves or solenoids, etc. Furthermore, Huge range of Semiconductors, Capacitors, Resistors and IcS in stock. Welcome RFQ.













