
PMDXB950UPE is a dual P-channel enhancement mode Field-Effect Transistor. This article is going to talk about the features, applications, and more detailed information about PMDXB950UPE.

PMDXB950UPE is a dual P-channel enhancement mode Field-Effect Transistor. This article is going to talk about the features, applications, and more detailed information about PMDXB950UPE.
PMDXB950UPE Dual P-channel enhancement mode Field-Effect Transistor (FET) in a leadless ultra small DFN1010B-6 (SOT1216) Surface-Mounted Device (SMD) plastic package using Trench MOSFET technology.
Trench MOSFET technology
Leadless ultra-small and ultra-thin SMD plastic package: 1.1 × 1.0 × 0.37 mm
Exposed drain pad for excellent thermal conduction
ElectroStatic Discharge (ESD) protection > 1 kV HBM
Drain-source on-state resistance RDSon = 1.02 Ω
| Type Designator: PMDXB950UPE |
| Type of Transistor: MOSFET |
| Type of Control Channel: P -Channel |
| Maximum Power Dissipation (Pd): 0.265 W |
| Maximum Drain-Source Voltage |Vds|: 20 V |
| Maximum Gate-Source Voltage |Vgs|: 8 V |
| Maximum Gate-Threshold Voltage |Vgs(th)|: 0.95 V |
| Maximum Drain Current |Id|: 0.5 A |
| Maximum Junction Temperature (Tj): 150 °C |
| Total Gate Charge (Qg): 1.19 NC |
| Rise Time (tr): 5 nS |
| Drain-Source Capacitance (Cd): 14 pF |
| Maximum Drain-Source On-State Resistance (Rds): 1.4 Ohm |
| Package: DFN1010B-6 |

PMDXB950UPE Pinout

PMDXB950UPE Symbol

PMDXB950UPE Footprint
Nexperia PMDXB950UPE technical specifications, attributes, parameters and parts with similar specifications to Nexperia PMDXB950UPE.
| Attribute | Value |
|---|---|
| JESD-609 Code | e3 |
| Moisture Sensitivity Level (MSL) | 1 (Unlimited) |
| Terminal Finish | Tin (Sn) |

PMDXB950UPE Marking

PMDXB950UPE Soldering
Relay driver
High-speed line driver
High-side load switch
Switching circuits

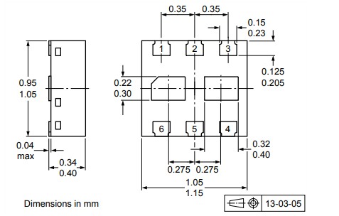
PMDXB950UPE Package information
Nexperia is a focused global leader in the fields of discretes, logic, and MOSFETs. At the start of 2017, this new company became self-sufficient. Nexperia focuses on efficiency and manufactures a high amount of dependably dependable semiconductor components: 85 billion per year. The company's comprehensive portfolio fulfills the Automotive industry's strict standards. And their industry-leading compact packages, which are built in-house, combine power and thermal efficiency with best-in-class quality. Nexperia has 11,000 personnel spread across Asia, Europe, and the United States, supporting customers all over the world.