#4558D,4558 ic full diagram /4558D circuit diagram/Mr electro
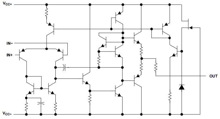
The RC4558P is a dual general-purpose operational amplifier with each half electrically comparable to the μA741, with the exception of offset null capabilities. This article mainly introduces Layout, Pinout, Datasheet and other detailed information about Texas Instruments RC4558P.









