What is CLOCK GENERATOR? What does CLOCK GENERATOR mean? CLOCK GENERATOR meaning & explanation
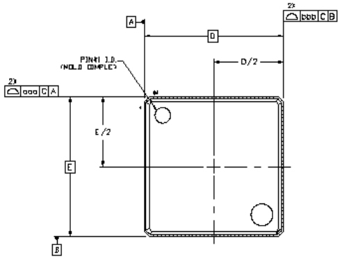
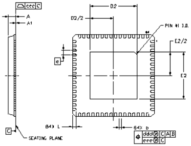
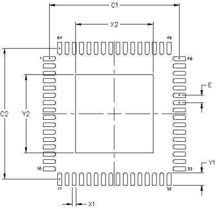
IC CLK BUFFER PLL 64QFN
The SI5347 is a high-performance, jitter-attenuating clock multiplier which integrates four any-frequency DSPLLs for applications that require maximum integration and independent timing paths. Furthermore, Huge range of Semiconductors, Capacitors, Resistors and IcS in stock. Welcome RFQ.







