Digital Electronics: Logic Gates - Integrated Circuits Part 1
NAND GATE
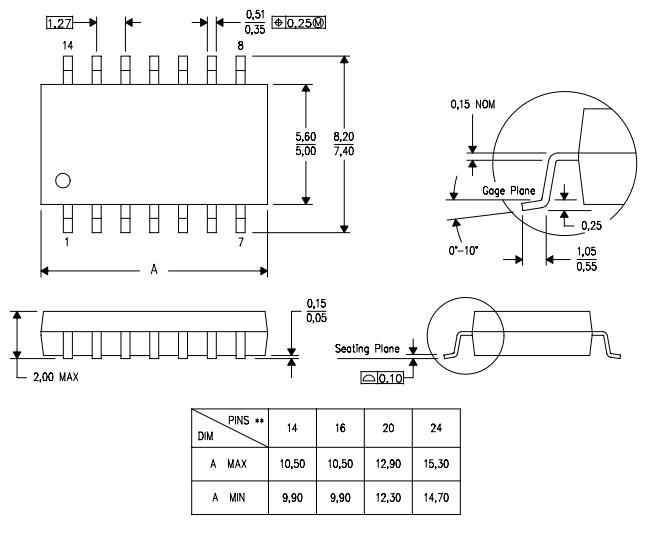
The SN74LS00N is a four independent 2-input Positive-NAND Gate. Today, we will walk you into the introduction of the SN74LS00N, you will learn its pinout, features, application, block diagram, and alternatives.







