Ethernet for the microchips W5500 and ENC28J60. MQTT
Ethernet ICs 3in1 Enet Controller TCP/IP MAC PHY
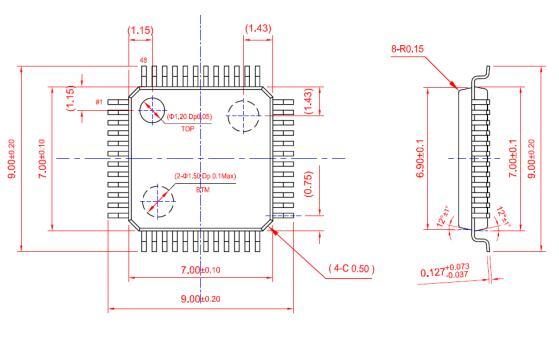
The W5500 chip is a Hardwired TCP/IP integrated Ethernet controller that makes it easier for embedded systems to connect to the Internet. This article is going to explain a review of the W5500 Hardwired TCP IP Embedded Ethernet Controller.








