Active Current Limiting Circuit Schematic
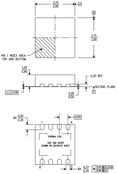
The TPS2557DRBT power-distribution switch is designed for applications that demand precise current limiting or that include significant capacitive loads and short circuits. This article mainly introduces Features, Pinout, Datasheet and other detailed information about Texas Instruments TPS2557DRBT.








