TTP223 Capacitive Touch Switches
The TonTouchTM TTP223 is a touchpad detector IC with a one-touch key. This article is going to talk about the features, applications, and more detailed information about TTP223.
The TonTouchTM TTP223 is a touchpad detector IC with a one-touch key. The touching detection IC is intended to be used in place of typical direct button keys with a variety of pad sizes. The contact essential benefits for DC or AC applications are low power consumption and a wide operating voltage range.
Operating voltage 2.0V~5.5V
Operating current @VDD=3V, no load
At low power mode typical 1.5uA, maximum 3.0uA
The response time max 220mS at low power mode @VDD=3V
Sensitivity can adjust by the capacitance(0~50pF) outside
Stable touching detection of the human body for replacing the traditional direct switch key
Provides Low Power mode
Provides direct mode、toggle mode by pad option(TOG pin) Q pin is CMOS output
All output modes can be selected active high or active low by pad option(AHLB pin)
After power-on have about 0.5sec stable time, during the time do not touch the keypad, And the function is disabled
Auto calibration for life at low power mode the re-calibration period is about 4.0sec normally when key detected touch and released touch, the auto re-calibration will be redoing after about 16sec from releasing key
The sensitivity of TTP223N-BA6 is better than TTP223-BA6’s. But the stability of TTP223N-BA6 is worse than TTP223-BA6’s.

TTP223 Pinout
| Pad No. | Pad Name | I/O Type | Pad Description |
| 1 | Q | O | CMOS output pin |
| 2 | VSS | P | Negative power supply, ground |
| 3 | I | I/O | Input sensor port |
| 4 | AHAB | I-PL | Output active high or low selection, 1=>Active low; 0(Default)=>Active high |
| 5 | VDD | P | Positive power supply |
| 6 | TOG | I-PL | Output type option pin, 1=>Toggle mode; 0(Default)=>Direct mode |

TTP223 Block Diagram
Tontek Design Tech TTP223-BA6 technical specifications, attributes, parameters and parts with similar specifications to Tontek Design Tech TTP223-BA6.
| Attribute | Value |
|---|---|
| Package / Case | SOT-23-6 |
| Packaging | Tape & Reel (TR) |
| Parameter | Symbol | Conditions | Value | Unit |
| Operating Temperature | TOP | —— | -40 ~ +85 | ℃ |
| Storage Temperature | TSTG | —— | -50 ~ +125 | ℃ |
| Power Supply Voltage | VDD | Ta=25°C | VSS-0.3 ~ VSS+5.5 | V |
| Input Voltage | VIN | Ta=25°C | VSS-0.3 ~ VDD+0.3 | V |
| Human Body Mode | ESD | —— | 4 | KV |
| Note: VSS symbolizes system ground | ||||
Wide consumer products
Button key replacement

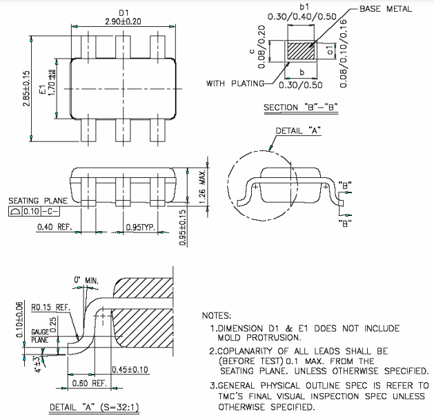
TTP223 Package information